| штат: | |
|---|---|
| Количество: | |
180 серия
Ritscher international Limited
Обзор
Серия 180 — это система серводвигателей переменного тока с высоким крутящим моментом премиум-класса, разработанная специально для жестких требований револьверных штамповочных прессов с ЧПУ и машин для обработки листового металла. Работая от надежного трехфазного источника переменного тока напряжением 380 В, эта комбинация двигателя и привода обеспечивает исключительную динамическую реакцию, точность позиционирования и удерживающий момент, необходимые для высокоскоростной индексации, точного позиционирования инструмента и синхронизированной подачи материала в автоматизированных операциях штамповки.
Ключевые функции и преимущества
Экстремальный динамический отклик для высокоскоростной индексации: имеет исключительно высокое соотношение крутящего момента к инерции, что обеспечивает быстрое ускорение и замедление револьверной головки инструмента или оси подачи материала. Это сводит к минимуму непроизводительное время цикла, позволяя повысить скорость обработки и увеличить пропускную способность.
Абсолютная точность и жесткость позиционирования. Встроенный абсолютный энкодер высокого разрешения (например, 24-битный) обеспечивает точную обратную связь для управления с обратной связью. В сочетании с высоким усилением контура и крутящей жесткостью это обеспечивает повторяемость позиционирования инструмента на микронном уровне, что критически важно для поддержания точности детали и предотвращения неправильных попаданий, особенно в сложных конструкциях с несколькими инструментами.
Высокая перегрузочная способность и устойчивый крутящий момент: рассчитан на передачу 200–300 % номинального крутящего момента в течение коротких промежутков времени, чтобы выдерживать пиковые инерционные нагрузки во время быстрого вращения револьверной головки и ударные нагрузки в момент удара. Поддерживает постоянный крутящий момент на низких скоростях для плавной подачи и зажима материала.
Прочная конструкция для суровых промышленных условий: помещен в прочный корпус со степенью защиты IP67, устойчивый к металлической пыли, туману охлаждающей жидкости и случайному попаданию стружки, обычному в условиях штамповочного пресса. Оснащены сверхпрочными подшипниками с высокой грузоподъемностью, рассчитанными на долговечность при высоких радиальных и осевых нагрузках.
Высокая эффективность и оптимизированное управление температурным режимом: используются современные магнитные материалы с низкими потерями и эффективная конструкция статора для минимизации выделения тепла. Это обеспечивает непрерывную работу в тяжелых рабочих циклах без снижения температурных характеристик, что необходимо для поддержания точности во время длительных производственных циклов.
Полная интеграция с элементами управления прессом: полностью совместим с соответствующим сервоприводом серии 180, поддерживает высокоскоростные детерминированные сети, такие как EtherCAT, PROFINET IRT или POWERLINK. Обеспечивает тесную синхронизацию между сервоосями (ось X, Y, C) и контроллером прижимной муфты/плунжера для сложного скоординированного движения.
Низкие эксплуатационные расходы и высокая надежность: Бесщеточная конструкция с постоянными магнитами обеспечивает длительный срок службы при минимальном обслуживании. Создан, чтобы выдерживать постоянную вибрацию и механические удары, присущие работе штамповочного пресса.
Технические спецификации
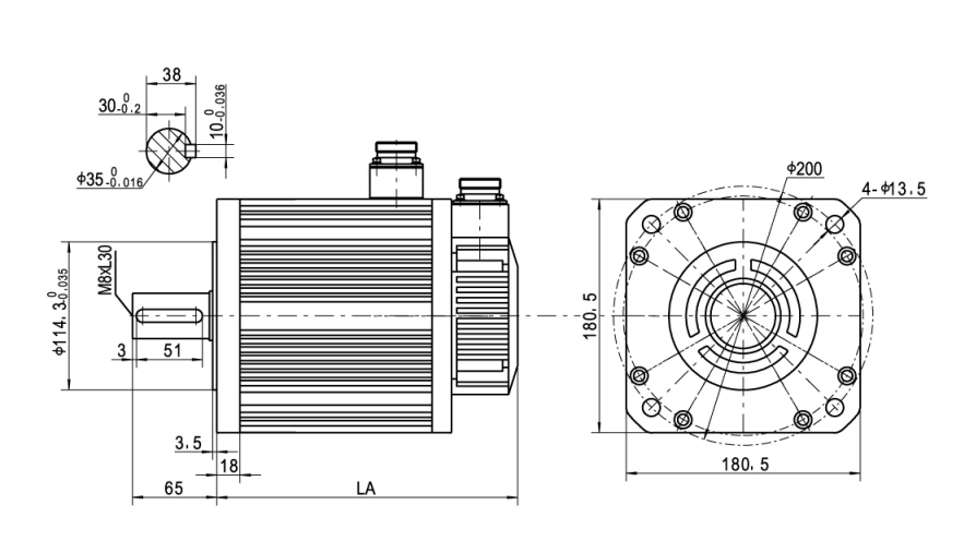
Размер рамы: квадратный фланец 180 мм.
Электропитание: 3-фазный переменный ток 380 В (±15%), 50/60 Гц.
Диапазон мощности: обычно от 1,5 кВт до 7,5 кВт, масштабируется в зависимости от тоннажа пресса и требований к осям.
Номинальная скорость: Обычные скорости: 1500 об/мин или 2000 об/мин, с широким диапазоном постоянного крутящего момента.
Устройство обратной связи: Многооборотный абсолютный энкодер, рассчитанный на высокие температуры.
Класс защиты: IP67 (пыленепроницаемость и защита от временного погружения в воду).
Класс изоляции: Класс F (155°C) со встроенными термодатчиками (PTC/KTY).
Тормоз: дополнительный надежный стопорный тормоз с высоким крутящим моментом для защиты вертикальной оси или револьверной головки инструмента.
Специфическая роль в пробивных прессах с ЧПУ
Ось C (привод револьверной головки): обеспечивает точное вращение с высоким крутящим моментом для перемещения тяжелой револьверной головки на нужную инструментальную станцию.
Оси X и Y (подача материала): приводят в движение шариковинтовую или реечную систему для точного позиционирования листа с высокой скоростью перемещения.
Синхронизация: обеспечивает идеальную синхронизацию между движением листа, индексом револьверной головки и ходом пуансона для оптимальной эффективности и точности.
Почему стоит выбрать серводвигатель серии 180 для вашего пробивного пресса?
При штамповке с ЧПУ скорость, точность и время безотказной работы напрямую влияют на прибыльность. Серводвигатель серии 180 разработан для максимального использования всех трех. Сочетание грубой силы для быстрого индексирования, высокой точности для безупречных попаданий и прочности для круглосуточной работы делает его краеугольным камнем надежной и высокопроизводительной печатной машины. Минимизируя время цикла и устраняя ошибки позиционирования, он сокращает количество брака, увеличивает производительность и обеспечивает быструю окупаемость инвестиций как для производителей печатного оборудования, так и для конечных пользователей.
Обзор
Серия 180 — это система серводвигателей переменного тока с высоким крутящим моментом премиум-класса, разработанная специально для жестких требований револьверных штамповочных прессов с ЧПУ и машин для обработки листового металла. Работая от надежного трехфазного источника переменного тока напряжением 380 В, эта комбинация двигателя и привода обеспечивает исключительную динамическую реакцию, точность позиционирования и удерживающий момент, необходимые для высокоскоростной индексации, точного позиционирования инструмента и синхронизированной подачи материала в автоматизированных операциях штамповки.
Ключевые функции и преимущества
Экстремальный динамический отклик для высокоскоростной индексации: имеет исключительно высокое соотношение крутящего момента к инерции, что обеспечивает быстрое ускорение и замедление револьверной головки инструмента или оси подачи материала. Это сводит к минимуму непроизводительное время цикла, позволяя повысить скорость обработки и увеличить пропускную способность.
Абсолютная точность и жесткость позиционирования. Встроенный абсолютный энкодер высокого разрешения (например, 24-битный) обеспечивает точную обратную связь для управления с обратной связью. В сочетании с высоким усилением контура и крутящей жесткостью это обеспечивает повторяемость позиционирования инструмента на микронном уровне, что критически важно для поддержания точности детали и предотвращения неправильных попаданий, особенно в сложных конструкциях с несколькими инструментами.
Высокая перегрузочная способность и устойчивый крутящий момент: рассчитан на передачу 200–300 % номинального крутящего момента в течение коротких промежутков времени, чтобы выдерживать пиковые инерционные нагрузки во время быстрого вращения револьверной головки и ударные нагрузки в момент удара. Поддерживает постоянный крутящий момент на низких скоростях для плавной подачи и зажима материала.
Прочная конструкция для суровых промышленных условий: помещен в прочный корпус со степенью защиты IP67, устойчивый к металлической пыли, туману охлаждающей жидкости и случайному попаданию стружки, обычному в условиях штамповочного пресса. Оснащены сверхпрочными подшипниками с высокой грузоподъемностью, рассчитанными на долговечность при высоких радиальных и осевых нагрузках.
Высокая эффективность и оптимизированное управление температурным режимом: используются современные магнитные материалы с низкими потерями и эффективная конструкция статора для минимизации выделения тепла. Это обеспечивает непрерывную работу в тяжелых рабочих циклах без снижения температурных характеристик, что необходимо для поддержания точности во время длительных производственных циклов.
Полная интеграция с элементами управления прессом: полностью совместим с соответствующим сервоприводом серии 180, поддерживает высокоскоростные детерминированные сети, такие как EtherCAT, PROFINET IRT или POWERLINK. Обеспечивает тесную синхронизацию между сервоосями (ось X, Y, C) и контроллером прижимной муфты/плунжера для сложного скоординированного движения.
Низкие эксплуатационные расходы и высокая надежность: Бесщеточная конструкция с постоянными магнитами обеспечивает длительный срок службы при минимальном обслуживании. Создан, чтобы выдерживать постоянную вибрацию и механические удары, присущие работе штамповочного пресса.
Технические спецификации
Размер рамы: квадратный фланец 180 мм.
Электропитание: 3-фазный переменный ток 380 В (±15%), 50/60 Гц.
Диапазон мощности: обычно от 1,5 кВт до 7,5 кВт, масштабируется в зависимости от тоннажа пресса и требований к осям.
Номинальная скорость: Обычные скорости: 1500 об/мин или 2000 об/мин, с широким диапазоном постоянного крутящего момента.
Устройство обратной связи: Многооборотный абсолютный энкодер, рассчитанный на высокие температуры.
Класс защиты: IP67 (пыленепроницаемость и защита от временного погружения в воду).
Класс изоляции: Класс F (155°C) со встроенными термодатчиками (PTC/KTY).
Тормоз: дополнительный надежный стопорный тормоз с высоким крутящим моментом для защиты вертикальной оси или револьверной головки инструмента.
Специфическая роль в пробивных прессах с ЧПУ
Ось C (привод револьверной головки): обеспечивает точное вращение с высоким крутящим моментом для перемещения тяжелой револьверной головки на нужную инструментальную станцию.
Оси X и Y (подача материала): приводят в движение шариковинтовую или реечную систему для точного позиционирования листа с высокой скоростью перемещения.
Синхронизация: обеспечивает идеальную синхронизацию между движением листа, индексом револьверной головки и ходом пуансона для оптимальной эффективности и точности.
Почему стоит выбрать серводвигатель серии 180 для вашего пробивного пресса?
При штамповке с ЧПУ скорость, точность и время безотказной работы напрямую влияют на прибыльность. Серводвигатель серии 180 разработан для максимального использования всех трех. Сочетание грубой силы для быстрого индексирования, высокой точности для безупречных попаданий и прочности для круглосуточной работы делает его краеугольным камнем надежной и высокопроизводительной печатной машины. Минимизируя время цикла и устраняя ошибки позиционирования, он сокращает количество брака, увеличивает производительность и обеспечивает быструю окупаемость инвестиций как для производителей печатного оборудования, так и для конечных пользователей.